联系人:高总
联系电话:18292925555
公司地址:西安市未央区北二环百寰国际 1207室

免费咨询热线

029-81708531
废气处理知识 当前位置: 万搏(中国)>>新闻案例>>废气处理知识
UV光氧催化废气处理技术实例​

信息来源:www.thaiforextoday.com | 发布时间:2020-11-26

项目情况与预期目标:


工况情况:

1、废气产生地:喷漆车间

2、废气排放成份:苯、甲苯、二甲苯、非甲烷总烃

3、废气浓度:未知(,经验数据200mg/m3)

4、排放速率:未知

5、温度:常温

6、废气湿度: ≤99%

7、非气体污染物:粉尘、油漆颗粒物

8、此排气为连续性排气

9、无回收利用价值

10、15000m³-20000/h风量进行设计。



处理后的预期目标:

1、废气进入UV光氧催化设备的条件:

(1)≦70℃

(2)相对洁净气体

2、预期达成目标

设备处理后,尾气排放达到国家工业排放标准

—GB16297-1996《大气污染物综合排放标准》二级排放标准

—GB14554-93《恶臭污染物排放标准》恶臭污染物排放标准值


采样位置和采样点的选择:


采样位置

采样位置应优先选择在垂直管段。应避开烟道弯头和断面急剧变化的部位。采样位置应设置在据弯头、阀门、变径管下游方向不小于6倍直径和距上述部件上游方向不小于3倍直径处,对矩形烟囱道,其当量直径D=2AB/(A+B),式中A,B为边长。

对于气态污染物,由于混合比较均匀,其采样位置可不受上述规定限制,但应避开涡流区。如果同时测定排气流量,采样位置仍按前面所述方法选取。

采样位置应避开对测试人员操作有危险的场所。

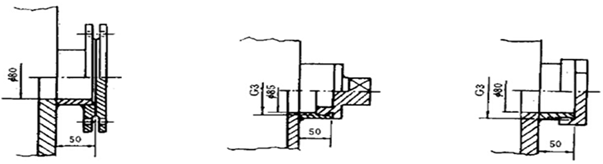
采样孔

在选定的测定位置上开设采样孔,采样孔内径应不小于80mm,采样孔管长应不大于50mm。不使用时应用盖板。管堵或管帽封闭(下图)。当采样孔仅用于采集气态污染物时,其内径应不小于40mm。


方案设计


从综合比较可知
UV光氧催化设备非常安全,运行稳定,去除效率高,运行费用低,无二次污染,是处理方法中较优越的废气处理方案。




处理工艺的整套流程

主管道—手动风阀—滤筒除尘器—uv反应器—离心风机—烟囱离地15m高空排放



设备的选择

UV光氧催化废气处理设备主要由滤筒除尘器、uv反应器、排风系统、防火阀、电气控制等组成。


滤筒除尘器

   滤筒除尘器除尘器由壳体、过滤单元、贮气包、电磁脉冲阀、脉冲控制仪、集灰斗等组成:

1、过滤单元是除尘器的核心部分,本除尘器采用美国唐纳森结构,滤筒采用的新型材料,其性能特点如下:

过滤材料:PTFE覆膜阻燃滤芯,东丽或唐纳森

耐热最高温:150℃

空气渗透率:220m3/m2/h

重量:240g/m2

过滤精度:0.5um-1.0um

过滤阻力:≦45Pa

过滤效率:≧99.99%

滤筒在结构上做成折叠的圆筒形,外径为350mm,内径240mm,筒高900mm。一个标准滤筒过滤面积为12㎡,而同样体型的布袋式除尘器的过滤面积仅有1㎡,大大减小了除尘器的体积。

   依照计算我们选用了12只滤筒,加大了整个系统的过滤面积,从而使过滤效果更好。也加大减少了滤筒清理的周期。

    除尘器的清灰方式是除尘器是否能正常使用的关键技术,本除尘器采用脉冲反吹清灰方式,其工作原理是:当脉冲控制仪发出信号时,脉冲控制阀排气口被打开,脉冲阀背压室外的气体泄掉压力,膜片两面产生压差,膜片因压差作用产生位移,脉冲阀打开,此时压缩空气从气包通过脉冲阀经喷吹管小孔喷出(从喷吹管喷出的气体为一次风)。当高速气流通过文氏管诱导器诱导了数倍于一次风的周围空气(称为二次风)进入滤袋,造成滤袋内瞬时正压,实现清灰的目的。通过增大除尘器的过滤面积,可以降低除尘器的过滤风速,从而降低粉尘的排放量,本滤筒式除尘器的过滤风速为0.8m-1.2/min。滤筒按统一标准制造,采用高速连接,使滤筒拆装十分方便,减轻了工人体力劳动强度,改善了劳动条件。

2、壳体部分:包括清洁室、过滤室、分室隔板、检修门及壳体结构。

3、灰斗及卸灰机构:卸灰非常方便,在集灰斗下方装有集尘抽屉。

4、脉冲清灰装置:包括脉冲阀、气包、及其电磁阀等。

5、压缩空气管路及减压装置、油水分离器、油雾器等。

 

主处理系统

主处理系统(UV光氧催化发生器)由壳体、UV紫外灯管、二氧化钛光触媒、独立控制柜等组成。

紫外灯管和光触媒是发生器的核心部分,本发生器采用蜂窝式二氧化钛光触媒,185nm与254nm波长紫外灯管相配合,使其达到最好的净化效果:

紫外线灯数量数量:84/126套

功率:150w/支

紫外线波长:185/254nm

催化剂:TIO2 8kg

催化剂载体:聚合物蜂窝

载体表面积:160㎡

安全性:开门检修自动断电

1、UV光氧催化的净化方式是发生柜能否能正常净化废气的关键技术,其工作原理是:光氧催化设备分解废气分子:运用253.7纳米波段光切割、断链、燃烧、裂解废气分子链,改变分子结构,为第一重处理;取185纳米波段光对废气分子进行催化氧化,使破坏后的分子中子或原子以O3进行结合,使有机或无机高分子恶臭化合物分子链,在催化氧化过程中,转变成低分子化合物CO2、H2O等,为第二重处理;再根据不同的废气成分配置27种以上相对应的惰性催化剂,催化剂采用蜂窝状金属网孔作为载体,全方位与光源接触,惰性催化剂在338纳米光源以下发生催化反应,放大10-30倍光源效果,使其与废气进行充分反应,缩短废气与光源接触时间,从而提高废气净化效率,催化剂还具有类似于植物光合作用,对废气进行净化效果,为第三重处理,通过三重处理后的废气其除臭最高可达99%以上,净化、脱臭效果大大超过GB16297-1996《大气污染物综合排放标准》二级排放标准,GB14554-93《恶臭污染物排放标准》。最后经高能紫外线光解催化氧化处理后的废气通过后端风机抽风形成负压从15m烟囱安全、达标的排放到大气中。 

2、壳体部分:包括净化室、分室隔板、检修门及不锈钢壳体结构。

3、独立电源:包括独立电源、电控系统等。


排风系统

立式排风系统由壳体、排风机、排风管道等组成;卧式排风系统由排风机、排风管道等组成。

设备机壳:Q235碳钢喷漆防腐, 有不锈钢供选择。

风机材质:机壳,进风口。

叶轮材质:Q235碳钢,喉口防爆

传动方式:皮带传动

相对底座、铁架材质:槽钢防锈

减震器:弹簧减震器(阻尼或橡胶)


电动防火阀

电动防火阀材质主要分为:镀锌板(有不锈钢可供选择)。

电动防火阀安装在通风、空气调节系统的送、回风管道上,平时呈开启状态,火灾时当管道内烟气温度达到设定温度时关闭,并在一定时间内能满足漏烟量和耐火完整性要求,起隔烟阻火的作用。

1、阀门平时处于常开状态,当气流温度达到设定温度时,温感探测器动作,阀门关闭;

2、可通过DC24V电源使阀门关闭;

3、可手动关闭或手动复位;

4、0°~90°范围内手动调节叶片开启度;

5、输出阀门关闭信号,可与其它防火设备联锁。

   优点

1、防火阀漏风量低,气密性能好;

2、电动开启消耗电流小;

3、防腐性能强,使用寿命长;

4、执行机构驱动灵活,反馈、联锁信号准确。



万搏官方注册(电话:158-2939-2333)是一家专注于废气处理、废水处理等环保设备的研发生产型公司,适用于电子、化工、医药、化学、大专院校、疾控中心、药检、质检等行业,安全高效,终身售后,更懂您的需求


想了解更多废气处理方面的问题,可直接跳转直达店铺